Got a Jag I'm trying to build and wired it up and got nothing.
jaguar wiring debugging
Moderator: Ghost Hip
- tuj
- committed

- Posts: 482
- Joined: Tue Dec 30, 2014 7:44 am
- Contact:
jaguar wiring debugging
hi all:
Got a Jag I'm trying to build and wired it up and got nothing.
Any ideas where I should start trying to find what I did wrong?
Got a Jag I'm trying to build and wired it up and got nothing.
so much gear...
- colossus
- FAMOUS

- Posts: 1007
- Joined: Tue May 07, 2013 3:04 pm
- Location: Western Mass.
- Contact:
Re: jaguar wiring debugging
No sound at all? Er, FIRST step (and we've all done this...) make sure volume is turned up on guitar and amp and everything is plugged in and powered on. But the next first step should be to simply compare with the wiring diagram and then compare it two more times. Trace everything. Couldn't hurt to reflow any questionable looking solder joints.
- kosta
- Supporter

- Posts: 5561
- Joined: Tue Mar 31, 2009 11:00 am
- Location: New York, NY
Re: jaguar wiring debugging
Pics of the guts might help too. And yeah, check all joints and reflow anything that looks dodgy.
- tuj
- committed

- Posts: 482
- Joined: Tue Dec 30, 2014 7:44 am
- Contact:
Re: jaguar wiring debugging
no, no sound or crackling in any of the switch and knob positions. I'm sort of surprised. Will retrace tomorrow.
so much gear...
- ChannelingHemingway
- involved

- Posts: 69
- Joined: Thu Jul 30, 2015 7:44 am
- Location: The land of enchantment
Re: jaguar wiring debugging
My off-the-cuff guess is that somewhere the signal is being dumped directly to ground. If you have a multimeter, check to see if the tip and sleeve terminals of the output jack are electrically connected. If they are, clip one lead to the sleeve and start poking around until you find the short. If you don't have a multimeter you should probably acquire one.
- tuj
- committed

- Posts: 482
- Joined: Tue Dec 30, 2014 7:44 am
- Contact:
Re: jaguar wiring debugging
Hemingway, throw back a glass of rum because I think you've got it right. I lined all the cavities with shielding foil and grounded it. I think the tight fit of the controls into the cavity must be shorting somewhere.
Do you guys ever insulate your leads on switches/pots/etc? I've seen a few people use heat-shrink tubing like that.
Anyway, I've got a multimeter, so I'll start poking around. and post some gut shots.
Do you guys ever insulate your leads on switches/pots/etc? I've seen a few people use heat-shrink tubing like that.
Anyway, I've got a multimeter, so I'll start poking around. and post some gut shots.
so much gear...
- ChannelingHemingway
- involved

- Posts: 69
- Joined: Thu Jul 30, 2015 7:44 am
- Location: The land of enchantment
Re: jaguar wiring debugging
Waaay ahead of you. If it does turn out to be a tight fit/shielding issue, any easy solution is to line that part of the cavity with a bit of index card cut to depth. What it lacks in elegance it makes up for in efficacy.
Jags are rad, but they're fiddly as hell to work on.
Jags are rad, but they're fiddly as hell to work on.
- repoman
- IAMILF

- Posts: 2291
- Joined: Sat Sep 26, 2015 3:16 pm
- Location: Edge City
Re: jaguar wiring debugging
If the shielding isn't the culprit-go through the diagram and look for poorly marked bridges. Double check the bridges you have. I know when I did the wiring for a Marr style switching, the Fender wiring diagram had a couple bridges that were poorly marked. All other wires were colored and bold, these were skinny and black and looked more like part of the switch being illustrated than wiring. Investigate the pots and switches for correct operation. Somehow a pot on my jag died when I was rewiring it and it took a long time to figure that one out.
F U T U R E G A M E R
- tuj
- committed

- Posts: 482
- Joined: Tue Dec 30, 2014 7:44 am
- Contact:
Re: jaguar wiring debugging
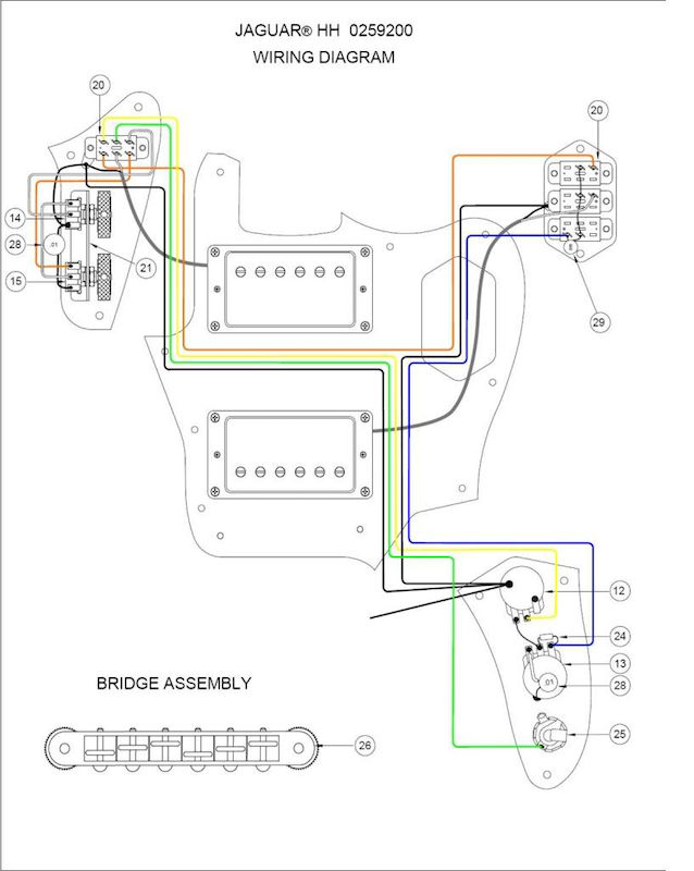
I'm going to post my wiring diagrams, but I honestly am a little confused regarding the strangle switch wiring as in it doesn't make sense to me. Still need to sort this one out. I will also post some gut shots.










so much gear...
- tuj
- committed

- Posts: 482
- Joined: Tue Dec 30, 2014 7:44 am
- Contact: