1590A drilling template?

Do-it-yourself pedal building

Moderator: Ghost Hip

Forum rules
The DIY forum is for personal projects (things that are not for sale, not in production), info sharing, peer to peer assistance. No backdoor spamming (DIY posts that are actually advertisements for your business). No clones of in-production pedals. If you have concerns or questions, feel free to PM admin. Thanks so much!
Post Reply
User avatar
GiAnt_ROboT
committed
committed
Posts: 214
Joined: Mon Sep 20, 2010 11:28 pm

1590A drilling template?

Post by GiAnt_ROboT »

Does anyone know where I could find one?
User avatar
greeny23
experienced
experienced
Posts: 612
Joined: Wed Feb 23, 2011 5:28 pm
Location: Sydney, Australia

Re: 1590A drilling template?

Post by greeny23 »

for what exactly? how many knobs? Led?
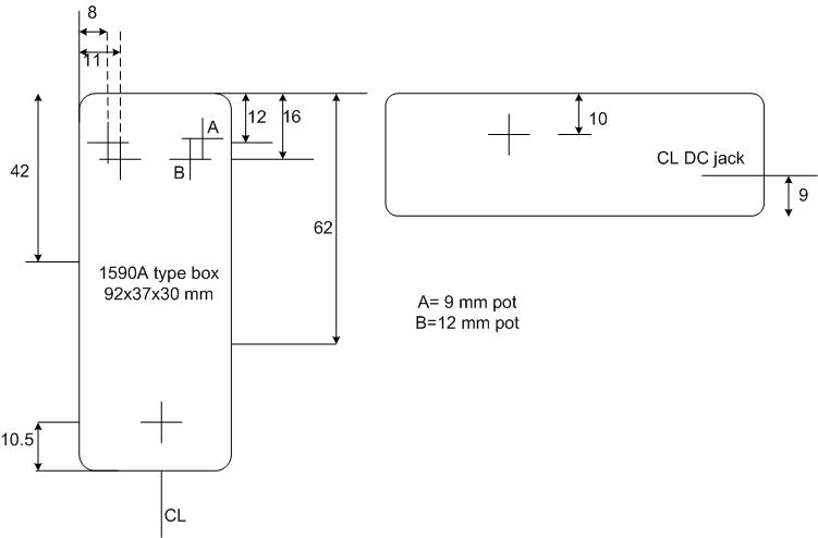
Image
User avatar
GiAnt_ROboT
committed
committed
Posts: 214
Joined: Mon Sep 20, 2010 11:28 pm

Re: 1590A drilling template?

Post by GiAnt_ROboT »

One knob and an LED would be awesome
User avatar
Jero
IAMILFFAMOUS
IAMILFFAMOUS
Posts: 11288
Joined: Fri Mar 12, 2010 1:12 am
Location: here

Re: 1590A drilling template?

Post by Jero »

"1590a template" on google gives you...

1590A_Drill _blueprint.jpg


:thumb:
I make noise toys under Stomping Stones
[url=http://www.stompingstones.com[/url]
oldangelmidnight wrote:This is the classic ILF I love. Emotional highs and lows. Scooped mids in my heart all day long.
Post Reply