someone has to teach me!!!

Do-it-yourself pedal building

Moderator: Ghost Hip

Forum rules
The DIY forum is for personal projects (things that are not for sale, not in production), info sharing, peer to peer assistance. No backdoor spamming (DIY posts that are actually advertisements for your business). No clones of in-production pedals. If you have concerns or questions, feel free to PM admin. Thanks so much!
Post Reply
User avatar
fuzzmax
experienced
experienced
Posts: 917
Joined: Tue Apr 06, 2010 7:30 am
Location: Joliette, Quebec

someone has to teach me!!!

Post by fuzzmax »

Ok. i got a ds-1 wich i install a spst switch so i can take out and put back in the d5 diode. (two 2n4001 in series). my wiring goes like this.

from the positive side of d5 on the board, i got a wire that is soldered to the middle lug of the switch. then the positive side of the diodes in series to one of the remaining lug of the switch to the negative side of d5 on the board. according to me, when the switch is on the position that activate the lug that got the diodes it is suppose to integrate the diodes in the signal but when the switch is on the other side (the empty lug) isn't it suppose to take out the diodes from the signal and have a lesser disortion sound?? Right now, the switch either way, does not affect the sound. or i can't hear a difference.

please do chime in and teach me!!!
User avatar
jfrey
Supporter
Supporter
Posts: 5240
Joined: Wed Apr 14, 2010 10:58 am
Location: Boston, MA

Re: someone has to teach me!!!

Post by jfrey »

Draw a picture in paint of how you have things set up and post it here.
D.o.S. wrote:You're like a walking Mad Men episode.
BitchPudding wrote:DO WHAT MUST BE DONE, LORD JFREY.
friendship wrote:one cool thing about living is that things get worse and worse and worse until you die
My music rec Twitter: https://twitter.com/MostlyEssential
User avatar
fuzzmax
experienced
experienced
Posts: 917
Joined: Tue Apr 06, 2010 7:30 am
Location: Joliette, Quebec

Re: someone has to teach me!!!

Post by fuzzmax »

jfrey wrote:Draw a picture in paint of how you have things set up and post it here.
Sans titre.JPG
Sans titre.JPG (17.87 KiB) Viewed 1294 times


sorry for the bad drawing but i think it explain well what my question is. And i want to know what the proper wiring is.

thanx
User avatar
jfrey
Supporter
Supporter
Posts: 5240
Joined: Wed Apr 14, 2010 10:58 am
Location: Boston, MA

Re: someone has to teach me!!!

Post by jfrey »

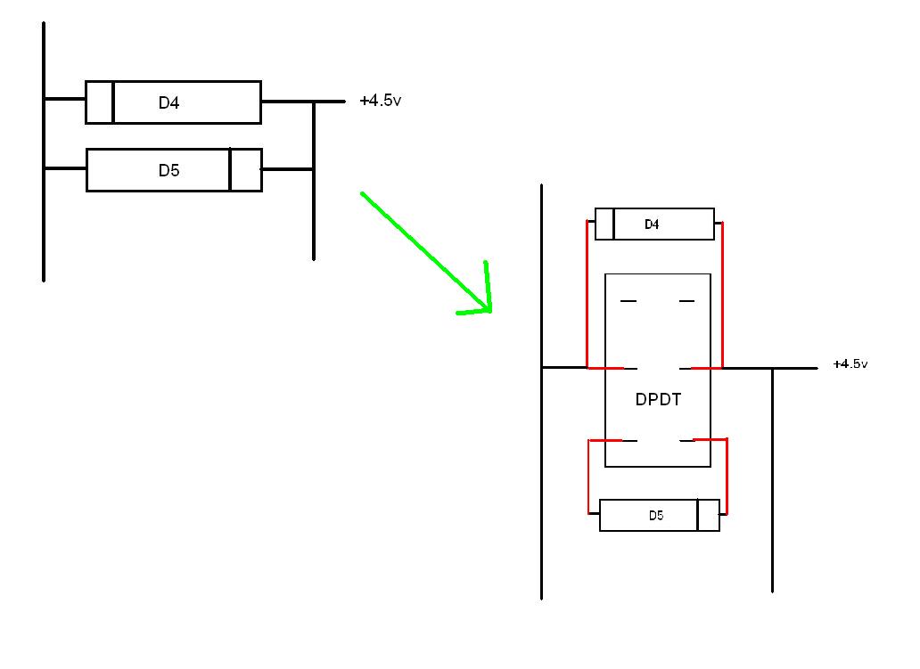
Shouldn't there only be 1 diode at D5? Or is adding the second one part of the mod you're doing?

I drew the images below using only 1 at D5 after looking at a schem for the DS1. I looked up the 2n4001 and that seems to be a transistor code. I'm pretty sure the diodes are supposed to be 1n4148.

I'm a noob so somebody help us out. I think either of these should work.

diodes.JPG


Or

diodes2.JPG


?
D.o.S. wrote:You're like a walking Mad Men episode.
BitchPudding wrote:DO WHAT MUST BE DONE, LORD JFREY.
friendship wrote:one cool thing about living is that things get worse and worse and worse until you die
My music rec Twitter: https://twitter.com/MostlyEssential
User avatar
fuzzmax
experienced
experienced
Posts: 917
Joined: Tue Apr 06, 2010 7:30 am
Location: Joliette, Quebec

Re: someone has to teach me!!!

Post by fuzzmax »

oops.....the diodes are 1n4001 (rectifier). And yes, replacing the 1n4148 is the mod.
User avatar
eatyourguitar
IAMILFFAMOUS
IAMILFFAMOUS
Posts: 3127
Joined: Sun Oct 03, 2010 12:37 pm
Location: USA, RI

Re: someone has to teach me!!!

Post by eatyourguitar »

1n4001 and 1n4148 are very close. you should be able to substitute one for the other without any problems.
WWW.EATYOURGUITAR.COM <---- MY DIY STUFF
Post Reply