Silly Bicolor LED wiring question

Do-it-yourself pedal building

Moderator: Ghost Hip

Forum rules
The DIY forum is for personal projects (things that are not for sale, not in production), info sharing, peer to peer assistance. No backdoor spamming (DIY posts that are actually advertisements for your business). No clones of in-production pedals. If you have concerns or questions, feel free to PM admin. Thanks so much!
Post Reply
User avatar
DannDubbleEwe
FAMOUS
FAMOUS
Posts: 1728
Joined: Thu Feb 10, 2011 6:20 pm
Location: TN

Silly Bicolor LED wiring question

Post by DannDubbleEwe »

I want to have a bipolar LED switch between colors via one switch (a tone footswitch) and be bypassed by a second (bypass) switch. Going by this totally pro diagram:

Image

I wired the middle lug to the bypass switch where the bypass led would go and the resistor to 9v off of that. The scheme works but when the pedal is engaged the led is off, when it is bypassed the led comes on.

Do I need to use a 3PDT for the tone switch to cut 9v? Or a 4PDT for the bypass to cut 9v? I am a mess and because I cannot wrap my head around this it's driving me bonkers for what is undoubtedly crazy simple.
User avatar
crochambeau
IAMILF
IAMILF
Posts: 2220
Joined: Mon Jul 20, 2015 12:49 pm
Location: Cascadia
Contact:

Re: Silly Bicolor LED wiring question

Post by crochambeau »

Image
User avatar
crochambeau
IAMILF
IAMILF
Posts: 2220
Joined: Mon Jul 20, 2015 12:49 pm
Location: Cascadia
Contact:

Re: Silly Bicolor LED wiring question

Post by crochambeau »

Sorry Dann, my earlier attempt at answering was flustered by forum errors, and it prevented me from actually comprehending your question.

So, this is a secondary switch, with a THREE leg LED (not the two I was figuring above), and when the primary effect bypass switch is set to have the effect engaged the LEDs selected via the secondary tone switch are off, and when the effect is bypassed they are on?

Are you routing the ground reference for the bi-color LED through the primary switch?
User avatar
multi_s
IAMILF
IAMILF
Posts: 2098
Joined: Mon Feb 15, 2010 9:00 pm

Re: Silly Bicolor LED wiring question

Post by multi_s »

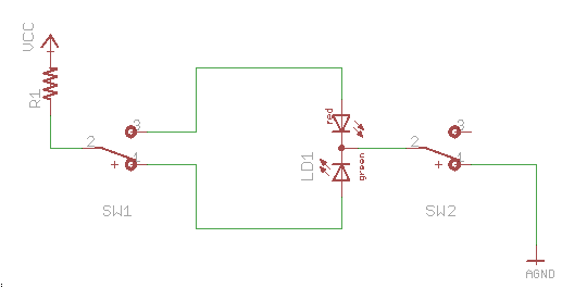
ledblaze.png
ledblaze.png (4.03 KiB) Viewed 2764 times
SW1 is one pole/throw set on your tone footswitch

SW2 is one pole/throw on the bypass. You should only need 3pdt for "true" bypass + this.

if teh LED is off when the effect is on just switch the pole it is on.
User avatar
DannDubbleEwe
FAMOUS
FAMOUS
Posts: 1728
Joined: Thu Feb 10, 2011 6:20 pm
Location: TN

Re: Silly Bicolor LED wiring question

Post by DannDubbleEwe »

Fuck you guys rule. I just needed to wire it as that and the LED "ground" to the bypass LED lug.

THANK YOU SMART, SWEET DUDES :group:
Post Reply