Help with Amp Schematic
Moderator: Ghost Hip
Forum rules
The DIY forum is for personal projects (things that are not for sale, not in production), info sharing, peer to peer assistance. No backdoor spamming (DIY posts that are actually advertisements for your business). No clones of in-production pedals. If you have concerns or questions, feel free to PM admin. Thanks so much!
The DIY forum is for personal projects (things that are not for sale, not in production), info sharing, peer to peer assistance. No backdoor spamming (DIY posts that are actually advertisements for your business). No clones of in-production pedals. If you have concerns or questions, feel free to PM admin. Thanks so much!
- Jero
- IAMILFFAMOUS

- Posts: 11288
- Joined: Fri Mar 12, 2010 1:12 am
- Location: here
Help with Amp Schematic
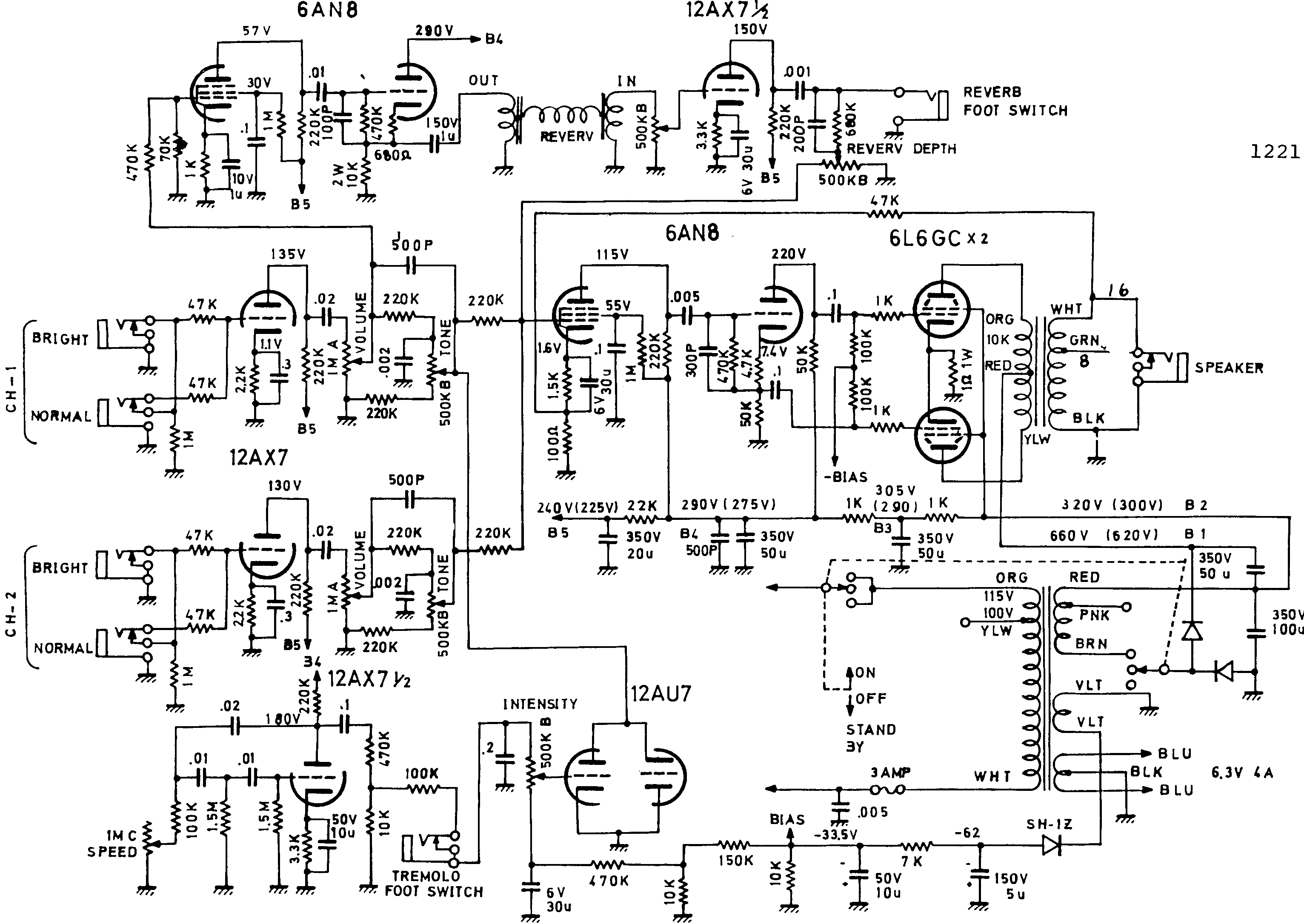
I have a Univox 1221 head that I've had forever, but nvr known the output ohms, just always run it into 8 ohm cabs. Well without taking it to a tech, I have no way to check, so I was wondering if someone could tell me based off the schematic or if that's something you'd have to check with a multimeter? The "16" above the output has me slightly worried...
I make noise toys under Stomping Stones
[url=http://www.stompingstones.com[/url]
[url=http://www.stompingstones.com[/url]
oldangelmidnight wrote:This is the classic ILF I love. Emotional highs and lows. Scooped mids in my heart all day long.
- metalmariachi
- IAMILFFAMOUS

- Posts: 3079
- Joined: Sun Nov 26, 2006 6:46 am
- Location: Maryland
Re: Help with Amp Schematic
Yup 16 ohms.
Never fear you can run it at 8 with no problem.
Tube amps are forgiving up to a point.
An 8 ohm can be run at 4 or 16 ohms with out damage.
You could add a switch to change between 8 and 16 or a switching jack as an extension which would switch to 8 when plugged into it.
Or wire the normal jack to the 8 ohm tap, add an extension jack NC switched (isolated from chassis) in series to the 16 ohm tap. = one cab 8 ohms 2 cabs 16 ohm.
Or you could just get a 16 ohm cabinet.
MM
Never fear you can run it at 8 with no problem.
Tube amps are forgiving up to a point.
An 8 ohm can be run at 4 or 16 ohms with out damage.
You could add a switch to change between 8 and 16 or a switching jack as an extension which would switch to 8 when plugged into it.
Or wire the normal jack to the 8 ohm tap, add an extension jack NC switched (isolated from chassis) in series to the 16 ohm tap. = one cab 8 ohms 2 cabs 16 ohm.
Or you could just get a 16 ohm cabinet.
MM
金属マリアッチ
MARIATCHIMETARU
"First we have to make you pretty"
MARIATCHIMETARU
"First we have to make you pretty"
- Jero
- IAMILFFAMOUS

- Posts: 11288
- Joined: Fri Mar 12, 2010 1:12 am
- Location: here
Re: Help with Amp Schematic
I thought ohms were along the same lines as watts when it comes to amp to cab. Meaning the ohms&watts of the cab can be >/=, but not less than that of the amp. I also thought it was more damaging to the speakers than to amps like that.
I would like to add a switch for 8 & 16 ohms, but that's for another day. The power/stnby switch needs to be changed because it goes on/off/stnby
instead of on/stnby/off. It'd also be nice if the bright and normal jacks were one jack with a bright/normal toggle instead. After that, maybe a new set or two of various tubes to try out, & I'd call it a day 
I would like to add a switch for 8 & 16 ohms, but that's for another day. The power/stnby switch needs to be changed because it goes on/off/stnby
instead of on/stnby/off. It'd also be nice if the bright and normal jacks were one jack with a bright/normal toggle instead. After that, maybe a new set or two of various tubes to try out, & I'd call it a day I make noise toys under Stomping Stones
[url=http://www.stompingstones.com[/url]
[url=http://www.stompingstones.com[/url]
oldangelmidnight wrote:This is the classic ILF I love. Emotional highs and lows. Scooped mids in my heart all day long.
-
dune2k
- interested

- Posts: 44
- Joined: Mon Dec 21, 2009 10:04 pm
Re: Help with Amp Schematic
Be careful!
Solid state amps usually have a minimal impedance that has to be matched, if the cab's impedance is higher the amp doesn't care. It just delivers less power.
The other way around though might damage the amp (it will overheat).
Tube amps should be run at the specified impedance, otherwise you might damage your output transformer. They usually are somewhat more tolerant to lower impedances than higher ones. So you could run everything as you did, although it is not recommended.
You could either add switch to switch between 8 and 16 Ohms or add another speaker out to your amp. Just make sure you use quality components that are rated at enough Watts so they don't melt.
Solid state amps usually have a minimal impedance that has to be matched, if the cab's impedance is higher the amp doesn't care. It just delivers less power.
The other way around though might damage the amp (it will overheat).
Tube amps should be run at the specified impedance, otherwise you might damage your output transformer. They usually are somewhat more tolerant to lower impedances than higher ones. So you could run everything as you did, although it is not recommended.
You could either add switch to switch between 8 and 16 Ohms or add another speaker out to your amp. Just make sure you use quality components that are rated at enough Watts so they don't melt.