This is what I had originally bought for this build, but my plan has changed almost constantly up to this point, so a lot has changed. I'll be naming it the Hefner when it's done because I'm using a Playboy cigar box

Step 2-5: Draw up plan, change plan, gather more parts, draw up new plan
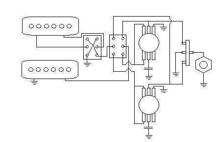
This is my current plan. I'm using two Gibson P90s with individual concentric staked pots for volume and tone, a three way selector, a phase switch, and a switch to bypass the volume and tone controls. The plan is to put the volume and tone controls on the side of the body to save some space, and I might put the 3-way selector in the top left corner like a Les Paul, but that would require running a lot of extra wire. I also still haven't really decided if I am using the Fender style hard tail bridge or the Gibson style bridge.
The neck is off an old Squire Strat.
I'll post more pictures as I build and hopefully some sound clips once it's done.
Feel free to give me tips or suggestions





