Page 1 of 2
Sterling/Musicman project
Posted: Sat Dec 10, 2016 12:12 am
by MrNovember

Starting a project on a Sterling/Musicman guitar I just got in a trade.
Unfortunately, the guy was a heavy, cheap cigarette smoker so it stinks. Like literally. I managed to get the smell out of the body with little effort (just soapy water), but the neck has been an issue. It's currently wrapped in a garbage bag full of baking soda. Honestly, if I can't get it out of the neck I'm going to just abandon the whole thing.
The guy also apparently lived in the rain forest or left the guitar out in the rain or something because there wasn't a single unrusted part on it. So they're all soaking in some vinegar right now in the hopes that I can remove it. I'm pretty sure I'll at least need end up replacing all the pickguard screws and the saddles. The rest should be salvageable.
Anyways, that brings me to the electronics, which are a mess. Definitely needs a new 5-way switch and thinking of installing some concentric pots. As for pickups I was kind of thinking Alumitones, but I'm not totally sold yet.
What would you guys do? Any less expensive pickup recommendations?
Re: Sterling/Musicman project
Posted: Sat Dec 10, 2016 12:19 am
by odontophobia
GFS has some great pickups at really good prices.
I have some fender Atomic HBs that I'd sell. Pair for $25 plus shipping if you want.
But otherwise GFS rules. The Mean 90 humbucker sized is rad.
Re: Sterling/Musicman project
Posted: Sat Dec 10, 2016 12:26 am
by MrNovember
Thanks, I'll look into those and might take you up on that if I can get the stink out. If I can't I'm just going to keep it as stock as possible to flip ASAP.
Re: Sterling/Musicman project
Posted: Mon Dec 12, 2016 5:26 pm
by MrNovember
Been checking out GFS and really liking their prices and all the different pickups available. I'm starting to think I'll go with the following:
Neck - mean 90:
http://www.guitarfetish.com/KP--GFS-Mea ... 21841.html
Middle - strat sized gold-foil:
http://www.guitarfetish.com/KP--GFS-Gol ... 22009.html
Bridge - Dream 180 humbucker:
http://www.guitarfetish.com/KP--Dream-1 ... 21773.html
I have no idea how I should wire it up though. I was thinking of using a set of concentric pots I have kicking around, but how would I wire that? Individual volumes and a master tone? Or maybe a common volume/tone for the single coils and a volume/tone for the hunmbucker?
Re: Sterling/Musicman project
Posted: Wed Dec 14, 2016 4:44 am
by fcknoise
Strat sized gold foil for the middle sounds like a super cool idea. I've heard good things about fender atomic hums previously too though
Re: Sterling/Musicman project
Posted: Wed Dec 14, 2016 10:39 pm
by MrNovember
Brandsmannen wrote:Strat sized gold foil for the middle sounds like a super cool idea. I've heard good things about fender atomic hums previously too though
Yeah I've read a few reviews of the Atomic humbuckers. Most were fairly positive. Being realistic with my budget though, odontophobia, expect a PM
I think the atomic humbuckers and the goldfoil combo will be awesome. I'm also thinking individual volumes and a master tone because I generally set the tone and forget it.
Re: Sterling/Musicman project
Posted: Mon Dec 19, 2016 1:42 am
by kosta
Some wiring ideas: A 5-way super switch would give you the ability to do some crazier series/parallel/phase reverse combos. I've also seen dudes leave the middle pickup out of the switch entirely and have it on a blend pot instead, so that they can blend it in and out of any setting on the switch.
http://www.stewmac.com/Pickups_and_Elec ... witch.html
http://www.stewmac.com/Pickups_and_Elec ... d_Pot.html
Re: Sterling/Musicman project
Posted: Mon Dec 19, 2016 11:42 am
by MrNovember
I actually really like this idea, but I don't really understand the no load pot. Couldn't I achieve the same thing by wiring a standard pot as a volume directly to the output?
I already have a standard 5-way switch on the way. So if I leave the middle pickup out of the switch and blend it in, then I'd probably wire it neck humbucker/neck humbucker split/both humbuckers/bridge humbucker split/bridge humbucker. I also have a couple SPDT switches that I might wire in to achieve some series/parallel/phase combos
Re: Sterling/Musicman project
Posted: Mon Dec 19, 2016 3:40 pm
by kosta
MrNovember wrote:I actually really like this idea, but I don't really understand the no load pot. Couldn't I achieve the same thing by wiring a standard pot as a volume directly to the output?
To tell you the truth, I'm still building my understanding of how all of this stuff works, so I couldn't really tell ya. I'd probably just sit at my desk with a million alligator clipped lead wires until I got it to work. Hahahaha. Those no-load pots may or may not be the right tool for the job.
Re: Sterling/Musicman project
Posted: Wed Dec 21, 2016 7:12 am
by fcknoise
I think its basically having a pickup directly to a volume pot yes, no complex wiring is necessary really

The thing is that usually lower on the volume knob=less treble. I know kind of little about this stuff, but a cap should fix that, right?
Re: Sterling/Musicman project
Posted: Thu Dec 22, 2016 11:33 pm
by MrNovember
Brandsmannen wrote:I think its basically having a pickup directly to a volume pot yes, no complex wiring is necessary really

The thing is that usually lower on the volume knob=less treble. I know kind of little about this stuff, but a cap should fix that, right?
Honestly no clue, but I'll test some things out.
Had some stuff show up this morning:

What's the best way to cut a pickguard?
Re: Sterling/Musicman project
Posted: Fri Dec 23, 2016 1:30 am
by odontophobia
dremel? carefully...
looking to cut that spot on the bottom of the bridge?
Re: Sterling/Musicman project
Posted: Fri Dec 23, 2016 7:40 am
by MrNovember
I impulse bought a blank pickguard (black sheet top left of picture)
Re: Sterling/Musicman project
Posted: Sat Feb 18, 2017 6:12 pm
by MrNovember
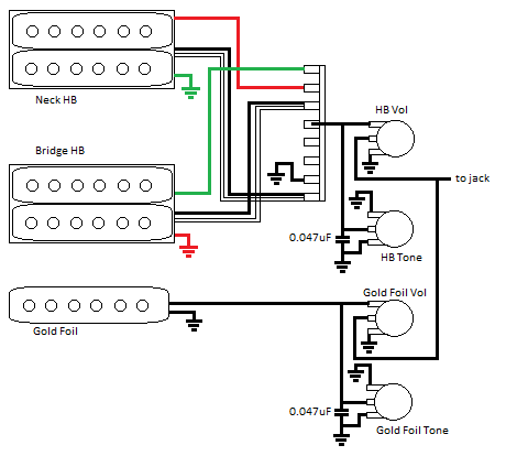
Alright, I've finally had some time to sit down and figure out the wiring. I think this is what I'm going to go with (based off this
https://docs.google.com/gview?embedded= ... _1V_1T.pdf):

- Wiring Diagram.png (11.16 KiB) Viewed 15090 times
Which I believe should give me:
Position 1: Bridge HB
Position 2: Bridge + Neck HB
Position 3: Neck HB
Position 4: Bridge + Neck tapped
Position 5: Bridge tapped
Plus I'd be able to blend the gold foil into any of those settings or would be able to get the gold foil alone by turning the HB volume down.
Does that make sense? I just want to make sure I have everything straight before I start soldering.
Also, looks pretty sweet with the hardware installed:

Re: Sterling/Musicman project
Posted: Sat Feb 18, 2017 7:43 pm
by DRodriguez
That is hot as hell.
