The "How many different PLL clones can we get!" Thread

General Gear Discussion - effects, synths, etc.

Moderator: Ghost Hip

Post Reply
User avatar
tuffteef
IAMILFFAMOUS
IAMILFFAMOUS
Posts: 7890
Joined: Tue May 26, 2009 7:05 pm
Location: Downunderverse

Re: INFANEM HarmonySynth vs Snazzy MiniArk - Schumann PLL'es

Post by tuffteef »

Bellyheart wrote:Wasn't the news that we'll catch wind of another run later? I thought he already sold some and is doing more...



news to me
explain!
User avatar
harpies
experienced
experienced
Posts: 694
Joined: Sun Jan 11, 2009 1:25 pm

Re: INFANEM HarmonySynth vs Snazzy MiniArk - Schumann PLL'es

Post by harpies »

I've been too distracted to keep up and ask lately, so I'm useless, yet again.
User avatar
tuffteef
IAMILFFAMOUS
IAMILFFAMOUS
Posts: 7890
Joined: Tue May 26, 2009 7:05 pm
Location: Downunderverse

Re: INFANEM HarmonySynth vs Snazzy MiniArk - Schumann PLL'es

Post by tuffteef »

harpies wrote:I've been too distracted to keep up and ask lately, so I'm useless, yet again.



these things happen
:group:
User avatar
Derelict78
IAMILFFAMOUS
IAMILFFAMOUS
Posts: 4844
Joined: Wed May 13, 2009 6:57 am
Location: Cadillac, MI

Re: INFANEM HarmonySynth vs Snazzy MiniArk - Schumann PLL'es

Post by Derelict78 »

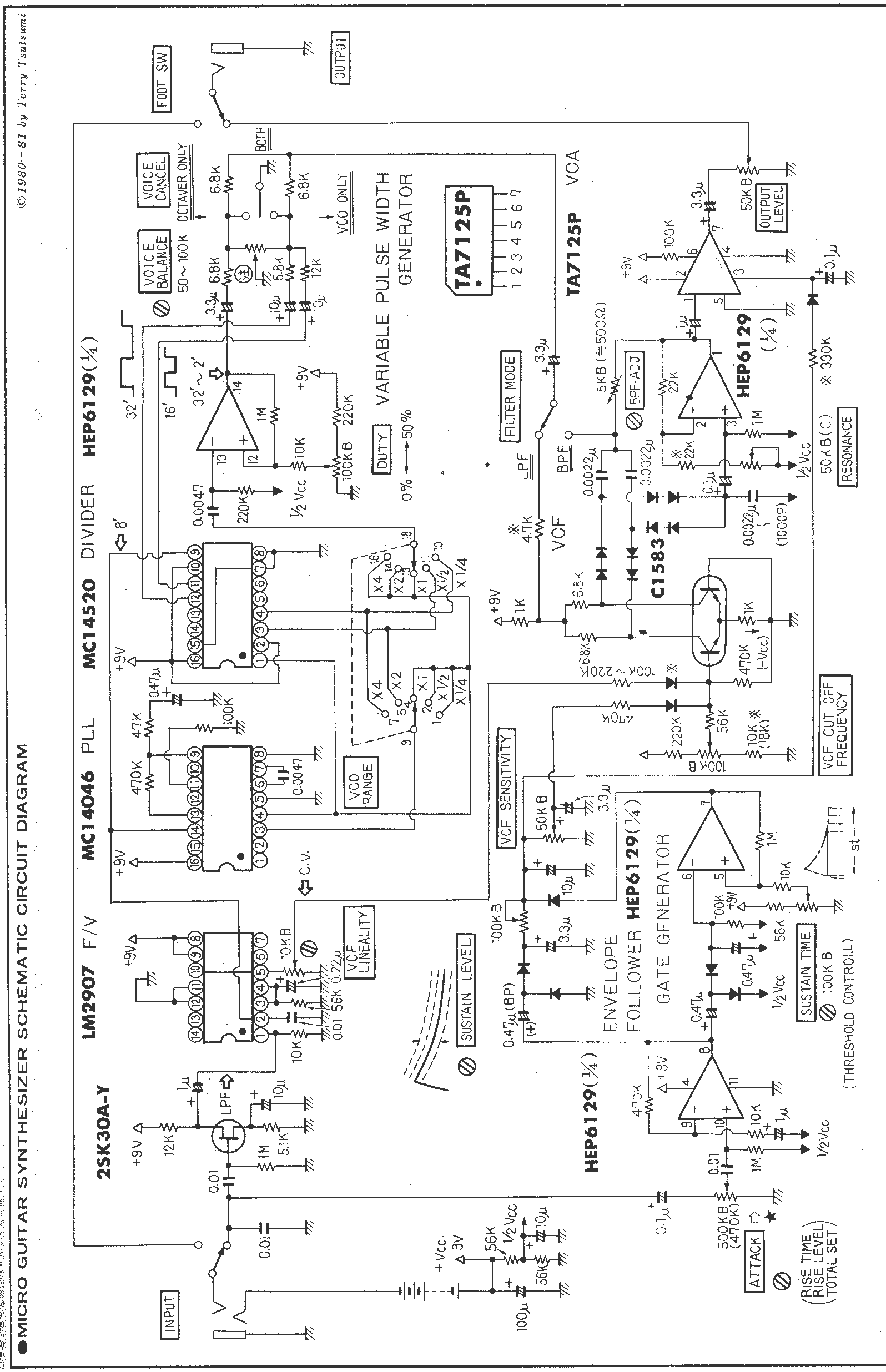
tuffteef wrote:same want it NAOW
or atleast give me a schematic

gtr-synth.gif
Image
aen wrote:Or I'll just use fuzz. Then Ill sound cool regardless.
Achtane wrote:Well, volcanoes are pretty fuckin' cool. Like I guess lava flows are doomy. Slow and still able to to melt your eardrums.
Kayzer
experienced
experienced
Posts: 685
Joined: Thu Nov 12, 2009 3:57 pm

Re: INFANEM HarmonySynth vs Snazzy MiniArk - Schumann PLL'es

Post by Kayzer »

bump for info my GAS level is already beyond any bearable state...
User avatar
tuffteef
IAMILFFAMOUS
IAMILFFAMOUS
Posts: 7890
Joined: Tue May 26, 2009 7:05 pm
Location: Downunderverse

Re: INFANEM HarmonySynth vs Snazzy MiniArk - Schumann PLL'es

Post by tuffteef »

kickstarter.com

buy one unit
reverse it ourselves
User avatar
Holy Schnikes
Supporter
Supporter
Posts: 6587
Joined: Thu Dec 09, 2010 3:05 pm
Location: Taint Louis

Re: INFANEM HarmonySynth vs Snazzy MiniArk - Schumann PLL'es

Post by Holy Schnikes »

Bellyheart wrote:Wasn't the news that we'll catch wind of another run later? I thought he already sold some and is doing more...

Huh.......?????

Source?
univalve wrote:Boner on Fire Wallet Panties!
Kayzer
experienced
experienced
Posts: 685
Joined: Thu Nov 12, 2009 3:57 pm

Re: INFANEM HarmonySynth vs Snazzy MiniArk - Schumann PLL'es

Post by Kayzer »

tuffteef wrote:kickstarter.com

buy one unit
reverse it ourselves


whut? Cant find PLL whatnot at Kickstarter...
User avatar
Jero
IAMILFFAMOUS
IAMILFFAMOUS
Posts: 11288
Joined: Fri Mar 12, 2010 1:12 am
Location: here

Re: INFANEM HarmonySynth vs Snazzy MiniArk - Schumann PLL'es

Post by Jero »

Kayzer wrote:
tuffteef wrote:kickstarter.com
buy one unit
reverse it ourselves

whut? Cant find PLL whatnot at Kickstarter...

He's saying make an ad on kickstarter, to have people give us money to buy a PLL, to reverse/build/distribute them.
I make noise toys under Stomping Stones
[url=http://www.stompingstones.com[/url]
oldangelmidnight wrote:This is the classic ILF I love. Emotional highs and lows. Scooped mids in my heart all day long.
User avatar
tuffteef
IAMILFFAMOUS
IAMILFFAMOUS
Posts: 7890
Joined: Tue May 26, 2009 7:05 pm
Location: Downunderverse

Re: INFANEM HarmonySynth vs Snazzy MiniArk - Schumann PLL'es

Post by tuffteef »

i mean it in a sense we all build a pot
we buy a schumann pll unit as an investment
we reverse it
sell the original then build units with the info for who came in
User avatar
Bassus Sanguinis
Supporter
Supporter
Posts: 5075
Joined: Mon May 11, 2009 7:32 am
Location: Espoo, Finland
Contact:

Re: INFANEM HarmonySynth vs Snazzy MiniArk - Schumann PLL'es

Post by Bassus Sanguinis »

Schumann electronics - hunting unicorns since 2009
Image
:::: Metal up Yöur Jazz! with FUZZIFERblack psychedelic doom ::::
Ugly Nora wrote:It's a sad day when Bassus Sanguinis becomes the voice of reason. :lol:
User avatar
Holy Schnikes
Supporter
Supporter
Posts: 6587
Joined: Thu Dec 09, 2010 3:05 pm
Location: Taint Louis

Re: INFANEM HarmonySynth vs Snazzy MiniArk - Schumann PLL'es

Post by Holy Schnikes »

Saw a thread elsewhere with some teenage kid showcasing his high dollar gear, parents hooked it up, kid was borderline awful on guitar. Regardless of talent/money involved, there was nice shit everywhere in this kid's room but only one thing caught my eye...........fuck this kid! :mad:

Image[/QUOTE]

Dat pristine Schumann PLL + Drone! :eek:
univalve wrote:Boner on Fire Wallet Panties!
User avatar
Ilikewater
experienced
experienced
Posts: 848
Joined: Tue Jul 12, 2011 8:00 pm
Location: Bakersfield, CA
Contact:

Re: INFANEM HarmonySynth vs Snazzy MiniArk - Schumann PLL'es

Post by Ilikewater »

Holy Schnikes wrote:Saw a thread elsewhere with some teenage kid showcasing his high dollar gear, parents hooked it up, kid was borderline awful on guitar. Regardless of talent/money involved, there was nice shit everywhere in this kid's room but only one thing caught my eye...........fuck this kid! :mad:

Image

Dat pristine Schumann PLL + Drone! :eek:


:barf: :cry:
User avatar
phantasmagorovich
Supporter
Supporter
Posts: 6983
Joined: Sun Feb 28, 2010 2:31 pm
Location: Cologne, Germany

Re: INFANEM HarmonySynth vs Snazzy MiniArk - Schumann PLL'es

Post by phantasmagorovich »

Ilikewater wrote:
Holy Schnikes wrote:Saw a thread elsewhere with some teenage kid showcasing his high dollar gear, parents hooked it up, kid was borderline awful on guitar. Regardless of talent/money involved, there was nice shit everywhere in this kid's room but only one thing caught my eye...........fuck this kid! :mad:

Image

Dat pristine Schumann PLL + Drone! :eek:


:barf: :cry:



Let's kill that critter. Or better yet offer him the first three Pokemon movies on DVD in exchange for the PLL + Drone. WTF!!!
:flame:
User avatar
BlindtoFaith
IAMILF
IAMILF
Posts: 2174
Joined: Thu Sep 30, 2010 9:57 pm

Re: INFANEM HarmonySynth vs Snazzy MiniArk - Schumann PLL'es

Post by BlindtoFaith »

Holy Schnikes wrote:Saw a thread elsewhere with some teenage kid showcasing his high dollar gear, parents hooked it up, kid was borderline awful on guitar. Regardless of talent/money involved, there was nice shit everywhere in this kid's room but only one thing caught my eye...........fuck this kid! :mad:

Image


Dat pristine Schumann PLL + Drone! :eek:[/quote]

Shit, you cant blame the kid. I wish my parents could have afforded to do that when I was a teenager. Roofing for 12 hours a day sucked in the Summer. That is how I got all the gear I had at the time. Hahaha
Post Reply